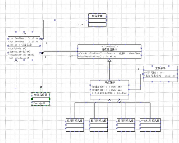
一直以为实现一个类型Windows的任务计划的数据库设计(计划调度部分不考虑具体的任务步骤执行),最近认真的看了下每个配置才发现其实也不难,关键是搞清楚不管任务计划怎么个配置(按天,按周,按月),对任务调度进程来说只要知道当前时间点应该执行那些任务就好了,即任务调度进程发现某一任务的“下次执行时间”小于等于当前时间时,则执行之,并且将任务的上次执行时间更新为当前时间,并且根据任务调度配置计算出下次任务的执行时间并更新任务记录。

数据库表结构,一次性任务不需要具体的配置信息表,通过[任务调度].[调度类型]来区别具体的调度规则
规则1.一个任务会有多个调度规则,下一执行时间是计算一遍所有调度规则后,获取一个离当前时间最近并且大于当前时间的时间点作为下一执行时间
添加,修改,删除某个调度规则后需要根据当前任务是否运行过来计算出下一运行时间,如果是已经运行过的任务(上一执行时间不为空),那么按规则1,如果是未运行过的任务,那么下一执行时间按所有调度规则配置的第一次执行时间中离当前时间最近并且大于当前时间的时间点作为下一执行时间

按策略模式来计算不同调度规则的下一执行时间



喜欢
顶
难过
囧
围观
无聊
